Descobrir como fazer adaptador VGA para AV pode ser a chave para dar vida nova à sua TV antiga ou a um monitor que só tem entrada para vídeo composto. Sei bem essa vontade de reaproveitar o que já temos, evitando o desperdício e conectando dispositivos que parecem incompatíveis. Muitas vezes, a solução é mais simples do que parece, e neste post eu vou te guiar passo a passo. Prepare-se para ver seu antigo equipamento funcionando em perfeita sintonia com a tecnologia atual.
Entendendo o Básico: Por Que um Adaptador VGA para AV é Necessário?
O sinal VGA, que vem do seu computador, é uma coisa. Já o sinal AV, aquele plugue amarelo das TVs antigas, é outra completamente diferente. Pense neles como duas línguas distintas: uma fala de alta frequência e outra, mais simples e de menor resolução.
Para que esses dois mundos se comuniquem, é preciso um tradutor. Esse tradutor é o nosso adaptador.
Muitos computadores modernos já não saem com a saída VGA, e é aí que a gente precisa pensar em soluções criativas.
“A solução mais confiável e barata para converter VGA para AV é utilizar um Conversor VGA para AV Ativo, que possui um chip interno para processamento de sinal, diferente de um cabo simples que raramente funciona devido à complexidade da sincronização de vídeo.”
Sua TV antiga, aquela com a entrada RCA amarela que você adora, não se dá bem com seu computador moderno? Você tem um cabo VGA, mas não sabe como conectar tudo para assistir seus filmes ou jogar naquela telona? Pois é, eu entendo. Ver essa incompatibilidade de sinais pode ser frustrante, mas fica tranquila, porque eu preparei um guia completo para você resolver isso de vez.
Esqueça as dores de cabeça com adaptações que não funcionam. Aqui, eu vou te mostrar exatamente o que você precisa para fazer essa ponte entre o mundo VGA e o AV, transformando sua TV antiga em uma central de entretenimento. Vamos direto ao ponto!
| Tempo Estimado | 1-2 horas |
|---|---|
| Nível de Dificuldade | Médio (DIY) / Fácil (com conversor) |
| Custo/Esforço | Baixo (DIY) / Moderado (com conversor) |

A Preparação (O Que Você Vai Precisar)
- Um computador com placa de vídeo que possua a função ‘TV-out’ via VGA. Essa é uma característica crucial para os esquemas mais simples funcionarem.
- Um cabo VGA.
- Conectores RCA (fêmea, para onde você vai ligar os cabos da TV) ou um plug RCA macho (se for direto na TV).
- Fios de cobre finos para as conexões internas.
- Ferramentas básicas: ferro de solda, estanho, alicate de corte, fita isolante ou tubo termorretrátil.
- Componentes eletrônicos adicionais se você for montar um circuito: resistores (como 150, 100 e 390 ohms) e capacitores.
- Um multímetro para verificar as conexões (opcional, mas recomendado para DIY).

Passo a Passo Detalhado
- Verifique a Saída ‘TV-out’ da sua Placa de Vídeo: Antes de tudo, é fundamental saber se sua placa de vídeo realmente suporta a saída de vídeo composto via VGA. Muitas placas modernas não têm mais essa função. Procure no manual da sua placa ou nas especificações online. Se não tiver, um esquema simples de adaptação não vai funcionar.
- Entendendo os Sinais: O sinal VGA é analógico de alta frequência (RGBHV), bem diferente do AV, que é um sinal composto de baixa resolução. Essa diferença de qualidade e tipo de sinal é o grande desafio.
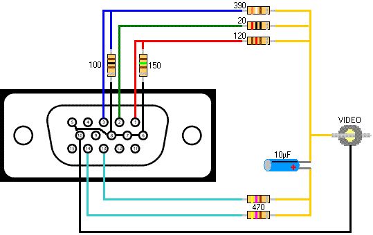
- Mapeamento de Pinos VGA para RCA (DIY): Este é o coração do projeto caseiro. Você precisa identificar os pinos corretos no conector VGA. Geralmente, a ligação envolve conectar os pinos de cores (Red, Green, Blue) aos pinos centrais dos conectores RCA correspondentes (amarelo para vídeo composto, vermelho e branco para áudio, se sua placa tiver saída de áudio separada). O mapeamento de pinos VGA para RCA é crucial aqui. Por exemplo, o Pino 1 (Red/Sinal) do VGA vai para o pino central do RCA vermelho, e o Pino 6 (Red Ground) para a carcaça externa do RCA. Você repetirá o processo para os outros canais de cor.
- Soldagem e Isolamento: Com o mapeamento em mãos, solde os fios de cobre cuidadosamente aos pinos do conector VGA e aos conectores RCA. Use fita isolante ou tubo termorretrátil para garantir que não haja curtos-circuitos entre os fios. Cada conexão deve ser bem isolada.
- Teste e Verificação: Conecte o adaptador à sua placa de vídeo e à TV. Se você usou um multímetro, verifique a continuidade das conexões antes de ligar tudo. Ajuste a resolução da tela do computador para uma compatível com sua TV antiga (geralmente 800×600 ou 1024×768).

Checklist de Sucesso
- A imagem aparece na TV, mesmo que em preto e branco ou com cores distorcidas inicialmente?
- O áudio (se aplicável) está saindo corretamente pelos conectores RCA de áudio?
- A resolução da imagem está aceitável para sua TV antiga?

Resolução de Problemas (Troubleshooting)
Imagem preta e branca ou com cores invertidas? Verifique as conexões dos pinos de cores e terra. Um esquema de ligação VGA para AV incorreto é a causa mais comum. Pode ser necessário adicionar resistores e capacitores para ajustar os níveis de sinal.

Esquema Básico de Ligação (DIY)
Um esquema DIY simples busca extrair os sinais de cor (RGB) e sincronismo do VGA e convertê-los para o formato de vídeo composto que a TV entende. A dificuldade está em lidar com as diferentes frequências e amplitudes dos sinais.

Por que um cabo simples pode não funcionar?
A diferença entre o sinal VGA (analógico, alta frequência, RGBHV) e o sinal AV (analógico, baixa frequência, vídeo composto) é enorme. Um cabo simples apenas conecta os pinos, mas não realiza a conversão ou adaptação necessária para que os sinais sejam interpretados corretamente pela TV. Geralmente, a placa de vídeo precisa ter uma saída específica para isso.

Componentes Necessários para um Adaptador DIY Funcional
Para um projeto caseiro funcional, você provavelmente precisará de resistores (como 150, 100 e 390 ohms) e capacitores. Esses componentes ajudam a atenuar os sinais RGB para níveis compatíveis com o vídeo composto e a extrair o sinal de sincronismo. Um projeto detalhado de mapeamento de pinos VGA para RCA com estes componentes é essencial.

Recomendação Prática: Conversor VGA para AV Ativo
Se você quer praticidade e um resultado garantido, a melhor opção é um conversor VGA para AV Ativo. Ele possui um chip interno que faz todo o trabalho pesado de processamento, adaptando a resolução do PC para o formato que sua TV antiga aceita. É a solução mais recomendada.

Mapeamento de Pinos VGA para Conector RCA
O mapeamento exato varia, mas em geral, você vai conectar os pinos de vídeo do VGA (geralmente 1, 2, 3 para R, G, B) aos pinos centrais dos conectores RCA de cor correspondente. Os pinos de terra do VGA (como 5, 6, 7, 8, 10) vão para as carcaças externas dos conectores RCA.

Desafios da Conversão de Frequência de Vídeo
Converter um sinal de alta frequência como o VGA para um sinal de baixa frequência como o AV não é trivial. Envolve processamento ativo para extrair a informação de luminância e crominância do sinal original e compô-las no formato de vídeo composto. Por isso, conversores ativos com chips dedicados são mais eficientes.
Onde Encontrar Conversores VGA para AV Ativos
Esses conversores podem ser encontrados em lojas de eletrônicos, marketplaces online como AliExpress, Shopee e Mercado Livre. Procure por
Dicas Extras
- Verifique a compatibilidade: Nem toda placa de vídeo antiga tem a função ‘TV-out’ necessária para esquemas simples de adaptação VGA para AV. Consulte o manual ou as especificações do seu hardware.
- Atenção aos sinais: O sinal VGA é analógico de alta frequência (RGBHV), enquanto o AV é um sinal composto de baixa resolução. Adaptadores caseiros simples tentam converter isso, mas a qualidade pode variar muito.
- Componentes de qualidade: Se for montar seu próprio adaptador vga para rca caseiro, use componentes de boa procedência. Resistores e capacitores de qualidade fazem a diferença na estabilidade do sinal.
- Teste em diferentes TVs: TVs mais antigas podem ter diferentes sensibilidades ao sinal de vídeo. Se o adaptador vga para av diy não funcionar em uma, tente em outra.
- Segurança em primeiro lugar: Ao trabalhar com componentes eletrônicos, certifique-se de que tudo esteja desligado e desconectado da energia para evitar curtos-circuitos ou acidentes.
Dúvidas Frequentes
Meu adaptador vga para rca caseiro não funciona, o que pode ser?
Pois é, problemas adaptador vga para rca simples são comuns. Verifique se a placa de vídeo tem a função ‘TV-out’, se as conexões dos pinos VGA para RCA estão corretas e se os componentes (resistores e capacitores) estão bem soldados e com os valores certos. Às vezes, a TV antiga pode ter dificuldade em interpretar o sinal.
Qual a diferença entre um adaptador simples e um conversor VGA para AV Ativo?
Um adaptador vga para av simples é passivo, apenas reconecta os pinos. Já um conversor VGA para AV Ativo possui um chip interno que realmente processa e adapta o sinal de alta resolução do VGA para o formato de baixa resolução do AV. Para a maioria dos casos, o conversor ativo é a recomendação prática para garantir melhor qualidade e compatibilidade.
É possível converter vga para rca sem usar nenhum componente eletrônico?
Em esquemas muito básicos, você pode tentar apenas reconectar os pinos do VGA para os conectores RCA correspondentes, mas isso raramente funciona bem. O sinal VGA é muito diferente do sinal AV. Para uma conversão funcional, especialmente se você quer um adaptador vga para rca caseiro com alguma qualidade, componentes como resistores são geralmente necessários para casar os sinais corretamente.
Conclusão
Transformar sua TV antiga com um adaptador VGA para AV pode ser um projeto gratificante. Lembre-se que a qualidade final dependerá muito do método escolhido e da sua habilidade. Se você busca uma solução rápida e com boa imagem, um conversor VGA para AV Ativo é o caminho. Para os entusiastas do DIY, montar um adaptador vga para rca caseiro pode ser um desafio interessante. Explore mais sobre como escolher o melhor conversor VGA para AV Ativo e entenda a diferença entre VGA, AV e HDMI para fazer conexões de vídeo mais conscientes.

